صنایع آلومینیوم آبسکون
سیستم کرتین وال
abescon-logo

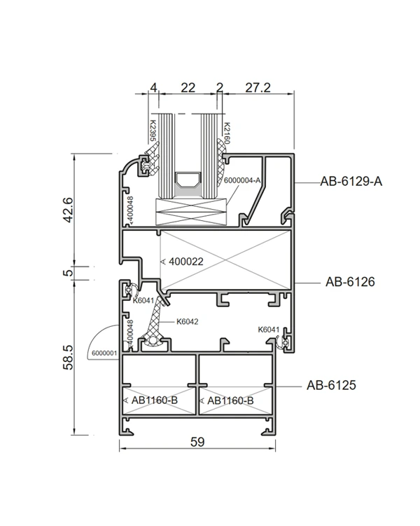
سیستم لولایی غیرترمال بریک سیستم لولایی غیرترمال بریک سیستم لولایی غیرترمال بریک
abescon-1662877977-Abescon-Hinged-System-HN60-G.webp

HN60-G

برند:   ABESCON


نام محصول:

سیستم لولایی غیرترمال بریک

مزایا:


  • لینک دانلود کاتالوگ
  • 1662878722-Abescon-Hinged-System-HN60-G-Catalogue.pdf   1662878722-Abescon-Hinged-System-HN60-G-Catalogue.pdf  دانلود